车灯LED灯珠

成为极具核心价值的LED封装企业

产品中心

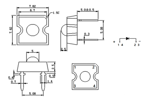
5MM食人鱼 0.5W有色光灯珠


- 类型:食人鱼

- 规格: 0.5W有色光

- 功率:0.5W

- 芯片数量:单芯

- 芯片品牌:晶元

- 发光角度:70°

- 发光颜色:红/黄/蓝/绿/橙





联系我们
服务热线: 17727428719(刘经理)         邮箱: led_best@163.com


图纸




规格

型 号 颜色 波段(nm) 亮度/流明(mcd) 电压(vf) 角度(deg) 电流(mA)
5MM食人鱼 0.5W 红光 620-630 10-20 1.8-2.3 70° 150mA
绿光 515-525 15-25 2.8-3.2
蓝光 460-465 3-8 2.8-3.2
黄光 588-595 10-20 1.8-2.3
橙光 600-610 10-20 1.8-2.3
 
* 车灯LED灯珠的发光角度另有其它角度,其它食人鱼产品均可做无卡,后面产品不在展示,如有需求请您咨询客服详细参数


应用
产品应用.jpg